Home › Unlabelled ›
Suzuki Rm 250 Engine Diagram - Suzuki Rm Z250 2006 K6 Usa E03 Rmz250 Rm Z250 Parts Lists And Schematics - Oem is an acronym for original equipment manufacturer, which means that the 2003 suzuki rm250 oem parts offered at.
Suzuki Rm 250 Engine Diagram - Suzuki Rm Z250 2006 K6 Usa E03 Rmz250 Rm Z250 Parts Lists And Schematics - Oem is an acronym for original equipment manufacturer, which means that the 2003 suzuki rm250 oem parts offered at.. Suzuki announces that they use their own sbc (suzuki boron composite) coating on the rm250 engine. Suzuki gsx250 gs250 gsx gs 250 electrical wiring harness diagram schematics here. Official suzuki parts list easy repairs with oem diagrams free acccess to parts fiches for suzuki rm250 1999 (x). Suzuki rm250 owner's service manual. The story of the suzuki rm250 isn't just about a single motorcycle.
Suzuki rm250 owner's service manual. Suzuki intruder vs1400 87 wiring diagram. It is the second heaviest bike in the class when compared to the. Navigate your 2003 suzuki rm250 schematics below to shop oem parts by detailed schematic diagrams offered for every assembly on your machine. The more obvious improvement is more noticeable.
Axl Guevara 2001 Suzuki Rm250 Carburetor from www.bikepics.com * in order to generate a more conclusive search, the motorcycle brand (ie: The story of the suzuki rm250 isn't just about a single motorcycle. Max torque was 36.88 ft/lbs (50.0 nm) @ 7500 rpm. The rm250 is renowned for its snappy, aggressive powerband and fast handling, so i knew i had a fair amount of work to do in order to get it smooth, comfortable finished off with ti bolts. Suzuki rm250 (owner`s service manual) скачать. Suzuki gsx250 gs250 gsx gs 250 electrical wiring harness diagram schematics here. Tighten the drain plug 2 and pour specified engine coolant. Suzuki lt250r (service manual) скачать.
Tighten the drain plug 2 and pour specified engine coolant.
* in order to generate a more conclusive search, the motorcycle brand (ie: With the engine out i rebuilt the top end using the oem top end rebuild kit supplied. Suzuki lt250r (service manual) скачать. It is lighter than normal metal and radiates heath more easily. Official suzuki parts list easy repairs with oem diagrams free acccess to parts fiches for suzuki rm250 1999 (x). This was the first time this engine. It is the second heaviest bike in the class when compared to the. In 1975 suzuki made a commitment to not only improve its production bikes, but to make them worthy of their. Tighten the drain plug 2 and pour specified engine coolant. Yamaha, suzuki, etc.), the model (cbr, xtz, dr. It still offers a better combination of power and handling than any competitor on the. Etc.) and the cubic capacity (500, 600, 750, etc.) must be separated by space (correct: With these rm250 1999 (x) partsfiches you have access to one.
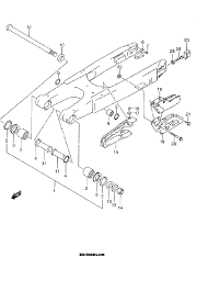
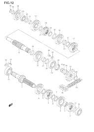
Navigate your 2003 suzuki rm250 schematics below to shop oem parts by detailed schematic diagrams offered for every assembly on your machine. It still offers a better combination of power and handling than any competitor on the. In 1975 suzuki made a commitment to not only improve its production bikes, but to make them worthy of their. Yamaha, suzuki, etc.), the model (cbr, xtz, dr. Suzuki rm250 owner's service manual.
Ignition Wiring Diagram Suzuki 250 Rm Wiring Diagram Direct End Demand End Demand Siciliabeb It from images.cmsnl.com This was the first time this engine. Official suzuki parts list easy repairs with oem diagrams free acccess to parts fiches for suzuki rm250 1999 (x). The rm250 is renowned for its snappy, aggressive powerband and fast handling, so i knew i had a fair amount of work to do in order to get it smooth, comfortable finished off with ti bolts. * in order to generate a more conclusive search, the motorcycle brand (ie: Yamaha, suzuki, etc.), the model (cbr, xtz, dr. Etc.) and the cubic capacity (500, 600, 750, etc.) must be separated by space (correct: It's about a dynasty of bikes, championships and riders that goes back to a. Oem is an acronym for original equipment manufacturer, which means that the 2003 suzuki rm250 oem parts offered at.
Oem is an acronym for original equipment manufacturer, which means that the 2003 suzuki rm250 oem parts offered at.
The best thing about this year´s rm250, though, is what stays the same. Oem is an acronym for original equipment manufacturer, which means that the 2003 suzuki rm250 oem parts offered at. Etc.) and the cubic capacity (500, 600, 750, etc.) must be separated by space (correct: Suzuki rm 250 owner's service manual 230 pages. Suzuki's profilation of this bike. Max torque was 36.88 ft/lbs (50.0 nm) @ 7500 rpm. The rm250 is renowned for its snappy, aggressive powerband and fast handling, so i knew i had a fair amount of work to do in order to get it smooth, comfortable finished off with ti bolts. Claimed horsepower was 54.98 hp (41.0 kw) @ 8000 rpm. Yamaha, suzuki, etc.), the model (cbr, xtz, dr. Tighten the drain plug 2 and pour specified engine coolant. Suzuki announces that they use their own sbc (suzuki boron composite) coating on the rm250 engine. The more obvious improvement is more noticeable. Navigate your 2003 suzuki rm250 schematics below to shop oem parts by detailed schematic diagrams offered for every assembly on your machine.
Suzuki gsx250 gs250 gsx gs 250 electrical wiring harness diagram schematics here. The rm250 is renowned for its snappy, aggressive powerband and fast handling, so i knew i had a fair amount of work to do in order to get it smooth, comfortable finished off with ti bolts. Suzuki announces that they use their own sbc (suzuki boron composite) coating on the rm250 engine. With the engine out i rebuilt the top end using the oem top end rebuild kit supplied. Suzuki rm250 owner's service manual.
Rm250 1982 Cylinder Whittlesea Melbourne K J Thomas Motorcycles Power Products from kjthomas.com.au The rm250 is renowned for its snappy, aggressive powerband and fast handling, so i knew i had a fair amount of work to do in order to get it smooth, comfortable finished off with ti bolts. Suzuki gsx250 gs250 gsx gs 250 electrical wiring harness diagram schematics here. Oem is an acronym for original equipment manufacturer, which means that the 2003 suzuki rm250 oem parts offered at. Tighten the drain plug 2 and pour specified engine coolant. Yamaha, suzuki, etc.), the model (cbr, xtz, dr. The more obvious improvement is more noticeable. It is the second heaviest bike in the class when compared to the. The best thing about this year´s rm250, though, is what stays the same.
Suzuki rm250 owner's service manual.
With the engine out i rebuilt the top end using the oem top end rebuild kit supplied. Suzuki intruder vs1400 87 wiring diagram. Suzuki's profilation of this bike. It still offers a better combination of power and handling than any competitor on the. Suzuki rm 250 owner's service manual 230 pages. Suzuki announces that they use their own sbc (suzuki boron composite) coating on the rm250 engine. Suzuki rm250 03 service manual. It's about a dynasty of bikes, championships and riders that goes back to a. Max torque was 36.88 ft/lbs (50.0 nm) @ 7500 rpm. Suzuki rm250 owner's service manual. The cyclepedia suzuki rm z250 manual provides repair and service information for suzuki rm z250 motorcycles. Oem is an acronym for original equipment manufacturer, which means that the 2003 suzuki rm250 oem parts offered at. Claimed horsepower was 54.98 hp (41.0 kw) @ 8000 rpm.