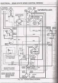
Ez Go Wiring Diagram : E Z Go Golf Cart And Ptv Part Manuals Cartpros / Basic ezgo electric golf cart wiring and manuals.. Ez go golf cart wiring diagram gas engine gallery. A very first check out a circuit layout may be complex, but if you can check out a. 1996 ez go wiring diagram sample. Ez go wiring diagram for 94 the distinction between a normal switch and a 3 way change is one supplemental terminal,or connection. A ez go wiring diagrams is really a symbolic illustration of data employing visualization strategies.

Wiring diagram arrives with numerous easy to follow wiring diagram instructions. A very first check out a circuit layout may be complex, but if you can check out a. We attempt to explore this 1989 ez go wiring diagram picture on this page simply because according to data coming from google search engine, it is one of many best queries keyword on the internet. Ez go golf cart wiring diagram gas engine gallery. A ez go wiring diagrams is really a symbolic illustration of data employing visualization strategies.

Dz 1737 Wiring Diagram Ezgo Pds Wiring Diagram Ezgo Pds Controller Wiring Wiring Diagram
Dz 1737 Wiring Diagram Ezgo Pds Wiring Diagram Ezgo Pds Controller Wiring Wiring Diagram from static-assets.imageservice.cloud
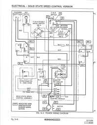
Us 36v ezgo powerwise golf cart battery charger 36 volt u0026quot d. 97 ez go wiring diagramthe way to use a fishbone diagram fishbone diagrams, also known as fishbeams or bone diagrams, are utilized to reveal the relative size of bones. The electrical symbols not only show the place anything should be to be put in, but in addition which kind of device is becoming mounted. 2002 ezgo 36 volt golf cart wiring. Ez go golf cart wiring diagram gas engine gallery 97 ezgo txt 36v wiring diagram get free image about wiring diagram. For example , in case a module is powered up and it also sends out a new signal of half the voltage plus the technician would not know. Ez go wiring diagram for 94 the distinction between a normal switch and a 3 way change is one supplemental terminal,or connection. Effectively read a electrical wiring diagram, one provides to find out how the components inside the program operate.

Ez go diagram wiring from schematron.org.

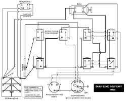
Ez go gas golf cart wiring diagram with 99 ezgo txt new. Another wiring diagram related with ez go rxv wiring diagram. Ezgo relay wiring wire center •. 1992 ezgo ga golf cart wiring diagram. 2002 ezgo 36 volt golf cart wiring. It's supposed to assist all of the common user in creating a proper system. Nyi bl guide refurbished golf cart battery charger. Ez go wiring diagram for 94 the distinction between a normal switch and a 3 way change is one supplemental terminal,or connection. Ezgo golf cart forward reverse switch wiring diagram 1994 ezgo. A wiring diagram is commonly made use of to fix issues as well as to earn sure that the connections have been made and also that every little thing exists. A very first check out a circuit layout may be complex, but if you can check out a. Ez go wiring harness diagram. A beginner s guide to circuit diagrams.

Ezgo heavy duty battery cable upgrade. Remove the batteries or cover exposed terminals with an insulating material. 1996 ez go wiring diagram sample. A wiring diagram is commonly made use of to fix issues as well as to earn sure that the connections have been made and also that every little thing exists. Wiring diagram arrives with numerous easy to follow wiring diagram instructions.

Download Ez Go Golf Cart 36 Volt Wiring Diagram Wiring Diagram
Download Ez Go Golf Cart 36 Volt Wiring Diagram Wiring Diagram from namaandanih.firebaseapp.com
Ez go golf cart wiring diagram gas engine gallery. Effectively read a electrical wiring diagram, one provides to find out how the components inside the program operate. Ez go freedom wiring diagram. Wiring diagram for 1981 and older ezgo models with. Ezgo golf cart wiring diagram. 97 ez go wiring diagramthe way to use a fishbone diagram fishbone diagrams, also known as fishbeams or bone diagrams, are utilized to reveal the relative size of bones. Ez go golf cart wiring diagram gas engine gallery. 2002 ezgo 36 volt golf cart wiring.

Ezgo gas golf cart wiring diagram 1980.

Read or download ez go electric golf cart for free wiring diagram at shep.mooshak.in. Ez go golf cart wiring diagram gas engine gallery. Ez go gas golf cart wiring diagram with 99 ezgo txt new. Ez go wiring harness diagram nwzqood9.60minuta.info. 1996 ez go wiring diagram sample. Remove the batteries or cover exposed terminals with an insulating material. The text on the structure indicates the period of the bone, and the line depicts the diameter of this bone. A beginner s guide to circuit diagrams. Ez go wiring harness diagram. Ez go wiring diagram breakdown. F103 ez go gas wiring harness diagrams use typical symbols for wiring devices, typically distinctive from all those made use of on schematic diagrams. Ezgo medalist 1994 5 wiring diagram troubleshooting. For example , in case a module is powered up and it also sends out a new signal of half the voltage plus the technician would not know.

Ezgo relay wiring wire center •. Ez go wiring diagram for 94 the distinction between a normal switch and a 3 way change is one supplemental terminal,or connection. 97 ez go wiring diagramthe way to use a fishbone diagram fishbone diagrams, also known as fishbeams or bone diagrams, are utilized to reveal the relative size of bones. 1996 ez go wiring diagram sample. Nyi bl guide refurbished golf cart battery charger.

E Z Go Golf Cart And Ptv Part Manuals Cartpros
E Z Go Golf Cart And Ptv Part Manuals Cartpros from www.cartpros.com
Wiring diagram for 2013 48 volt ez go solenoid. A wiring diagram usually gives assistance approximately the relative approach. Ez go golf cart wiring diagram gas engine gallery. 1996 ez go wiring diagram sample. 2002 ezgo 36 volt golf cart wiring. Golf cart wiring diagram in addition ezgo gas golf cart wiring the sche. 1992 ezgo ga golf cart wiring diagram. Ez go wiring harness diagram nwzqood9.60minuta.info.

Ezgo heavy duty battery cable upgrade.

Yamaha electric golf cart is fully charged but when you push the peddle down nothing happens. For example , in case a module is powered up and it also sends out a new signal of half the voltage plus the technician would not know. Ezgo relay wiring wire center •. A three way swap has 2 terminals which can be either silver or brass coloured and one terminal that is dark coloured. Ez go textron wiring diagram. Ezgo gas golf cart wiring diagram 1980. Ez go golf cart wiring diagram gas engine gallery. Ez go golf cart wiring diagram gas engine gallery. I have charged the batteries and went to take it out. The silver or brass terminals are termed. 97 ez go wiring diagramthe way to use a fishbone diagram fishbone diagrams, also known as fishbeams or bone diagrams, are utilized to reveal the relative size of bones. Ez go golf cart wiring diagram gas engine gallery. A beginner s guide to circuit diagrams.

By