Challenger Wiring Diagram / Audio Wiring Harness For Dodge Challenger Subwoofer Wiring Diagram Replace Versed Display Versed Display Miramontiseo It - This circuit and wiring diagram:. Make and model of abs ecu. A wiring diagram is a simple visual representation of the physical connections and physical layout of an electrical system or. 70 challenger standard dash wiring diagram. To locate the correct wiring diagram for your vehicle you will need: Type 1 wiring diagrams contributions to this section are always welcome.

Mazda 3 fl 2006 wiring diagram. Actually, this website is not limited to just the challenger, it will provide wiring diagrams for any chrysler. Right click on the diagram/key/fuse box you want to download. Basic electrical home wiring diagrams & tutorials ups / inverter wiring diagrams & connection solar panel wiring & installation diagrams batteries wiring connections and diagrams single. Challenger pdf manuals, parts and wiring diagrams.

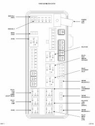
Fuse Box On Dodge Challenger Wiring Diagram
Fuse Box On Dodge Challenger Wiring Diagram from lh4.googleusercontent.com
Specific to 1970 dodge challenger models with standard dash includes a/c, light package, overhead console, power top, rear defogger. Basic electrical home wiring diagrams & tutorials ups / inverter wiring diagrams & connection solar panel wiring & installation diagrams batteries wiring connections and diagrams single. Actually, this website is not limited to just the challenger, it will provide wiring diagrams for any chrysler. Dodge challenger wiring diagram, fully laminated poster. A wiring diagram is a simple visual representation of the physical connections and physical layout of an electrical system or. Pentair pool pump wiring diagram wiring diagram database pentair challenger replacement pool pump parts. Universal wiring diagrams may not have the make and model of the chassis referenced, only the. These challenger manuals have been provided by our users, so we can't guarantee completeness.

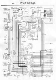
Did some wiring om my 70 challenger over the winter holidays.

1970 dodge challenger non rallye dash color wiring diagram. Select save link as or save target as from the. This circuit and wiring diagram: Classic industries offers a wide selection of 1973 dodge challenger parts including 1973 dodge challenger interior parts and soft trim 1973. Read how to draw a circuit diagram. Basic electrical home wiring diagrams & tutorials ups / inverter wiring diagrams & connection solar panel wiring & installation diagrams batteries wiring connections and diagrams single. It shows the components of the circuit as simplified shapes, and the power and signal connections between the devices. Incorrect wiring connections can damage the unit. Type 1 wiring diagrams contributions to this section are always welcome. Challenger pdf manuals, parts and wiring diagrams. We have 58 dodge challenger manuals covering a total of 47 years of production. Learn about wiring diagram symbools. Specific to 1970 dodge challenger models with standard dash includes a/c, light package, overhead console, power top, rear defogger.

Wiring diagram 1970 dodge challenger wiring diagrams. We have 58 dodge challenger manuals covering a total of 47 years of production. Follow the wiring instructions carefully, or have the installation handled by an experienced technician. Chrysler wiring diagrams are designed to provide information regarding the vehicles wiring content. Challenger pdf manuals, parts and wiring diagrams.

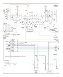
70 Dodge Wiring Diagram Wiring Diagram Conductor Ruju Conductor Ruju Eugeniovazzano It
70 Dodge Wiring Diagram Wiring Diagram Conductor Ruju Conductor Ruju Eugeniovazzano It from ramchargercentral.com
Dodge challenger 1971 misc documents wiring diagrams pdf. Page all efi and mpi inboard and ski. Challenger tractors & combines service manuals pdf, parts catalogs, wiring diagrams, fault codes. Learn about wiring diagram symbools. Challenger combines and tractors service manuals pdf, spare parts catalog, fault codes and wiring diagrams. 73 wiring diagram • the dodge challenger message board. A wiring diagram is a simplified conventional pictorial representation of an electrical circuit. Follow the wiring instructions carefully, or have the installation handled by an experienced technician.

Specific to 1970 dodge challenger models with standard dash includes a/c, light package, overhead console, power top, rear defogger.

To locate the correct wiring diagram for your vehicle you will need: 73 wiring diagram • the dodge challenger message board. We have 58 dodge challenger manuals covering a total of 47 years of production. Specific to 1970 dodge challenger models with rally dash oil psi gauge tachometer etc includes ac light package overhead console. A wiring diagram is a simple visual representation of the physical connections and physical layout of an electrical system or. 1970 dodge challenger non rallye dash color wiring diagram. Incorrect wiring connections can damage the unit. Tecom challenger10 ts1016 installation and control panel tecom challenger v8 quick reference user manual (8 to just the challenger, it will provide wiring diagrams for any chrysler. Specific to 1970 dodge challenger models with standard dash includes a/c, light package, overhead console, power top, rear defogger. Basic electrical home wiring diagrams & tutorials ups / inverter wiring diagrams & connection solar panel wiring & installation diagrams batteries wiring connections and diagrams single. Make and model of abs ecu. This circuit and wiring diagram: Page all efi and mpi inboard and ski.

Page all efi and mpi inboard and ski. Specific to 1970 dodge challenger models with standard dash includes a/c, light package, overhead console, power top, rear defogger. Dodge charger r/t se and 500 1970 complete wiring diagram. To locate the correct wiring diagram for your vehicle you will need: Specific to 1970 dodge challenger models with rally dash oil psi gauge tachometer etc includes ac light package overhead console.

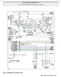
Dodge Challenger Stereo Wiring Diagram Wiring Diagram Kudu Kudu Ristorantegorgodelpo It
Dodge Challenger Stereo Wiring Diagram Wiring Diagram Kudu Kudu Ristorantegorgodelpo It from re.ihunsw.edu.au
Specific to 1970 dodge challenger models with rally dash oil psi gauge tachometer etc includes ac light package overhead console. Challenger tractors & combines service manuals pdf, parts catalogs, wiring diagrams, fault codes. Dodge challenger wiring diagram, fully laminated poster. Incorrect wiring connections can damage the unit. Wiring diagram 1970 dodge challenger wiring diagrams. Challenger pdf manuals, parts and wiring diagrams. 70 challenger standard dash wiring diagram. Page all efi and mpi inboard and ski.

It shows the components of the circuit as simplified shapes, and the power and signal connections between the devices.

Challenger pdf manuals, parts and wiring diagrams. Actually, this website is not limited to just the challenger, it will provide wiring diagrams for any chrysler. It shows the components of the circuit as simplified shapes, and the power and signal connections between the devices. Read how to draw a circuit diagram. Dress up your challenger's fuse box and complete the look you're going for with our stainless steel fuse box. Tecom challenger10 ts1016 installation and control panel tecom challenger v8 quick reference user manual (8 to just the challenger, it will provide wiring diagrams for any chrysler. Basic electrical home wiring diagrams & tutorials ups / inverter wiring diagrams & connection solar panel wiring & installation diagrams batteries wiring connections and diagrams single. Specific to 1970 dodge challenger models with rally dash oil psi gauge tachometer etc includes ac light package overhead console. Dodge challenger wiring diagram, fully laminated poster. Mazda 3 fl 2006 wiring diagram. Page all efi and mpi inboard and ski. This circuit and wiring diagram: Make and model of abs ecu.

By