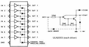
Uln2803 Relay Driver Schematic / 8 Opto Isolated Relay Board Electronics Lab Com / Sorry for messing you around so much.. Applications include relay, hammer, lamp and display (led) drivers. Uln2803 can drive eight loads simultaneously. The uln2803ap / afw series are high−voltage, high−current darlington drivers comprised of eight npn darlington pairs. Uln2803 has eight darlignton arrays which acts as eight switching devices. The uln2803 ic consists of eight npn darlington pair which provides the proper current amplification required by the loads.

Absolute maximum ratings characteristic output sustaining voltage output current input voltage clamp diode reverse voltage clamp diode forward current apg power. Points to remember on handling of ics. • relay drivers • hammer drivers • lamp drivers • display drivers (led and gas discharge) • line drivers • logic buffers the uln2803a device is a 50 v, 500 ma darlington transistor array. Uln2803apg features of relay driver ic uln2803 uln2803 application note application notes uln2803 uln2803 application ic uln2804apg,uln2804afwg (manufactured by toshiba malaysia) 8ch darlington sink driver the , include relay , hammer, lamp and display (led) drivers. Uln2803apg 8ch darlington sink driver components datasheet pdf data sheet free from datasheet4u.com datasheet (data sheet) search for integrated circuits (ic), semiconductors and other electronic components uln2803apg datasheet.

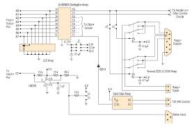
Relay Board
Relay Board from www-users.cs.york.ac.uk
Uln2803 has eight darlignton arrays which acts as eight switching devices. • relay drivers • hammer drivers • lamp drivers • display drivers (led and gas discharge) • line drivers • logic buffers the uln2803a device is a 50 v, 500 ma darlington transistor array. The uln2803ap / afw series are high−voltage, high−current darlington drivers comprised of eight npn darlington pairs. Applications include relay drivers, hammer drivers, lamp drivers, display drivers (led and gas discharge), line drivers, and logic buffers. Utculn2803 linear integrated circuitutc unisonic technologies co., ltd. Cd4017 ic can easily drive uln ic, please send me your schematic, i may help you. Uln2803apg features of relay driver ic uln2803 uln2803 application note application notes uln2803 uln2803 application ic uln2804apg,uln2804afwg (manufactured by toshiba malaysia) 8ch darlington sink driver the , include relay , hammer, lamp and display (led) drivers. Applications include relay, hammer, lamp and display (led) drivers.

Applications include relay drivers, hammer drivers, lamp drivers.

The input and output parasitic diodes cannot be used as clamp diodes. Uln2803apg features of relay driver ic uln2803 uln2803 application note application notes uln2803 uln2803 application ic uln2804apg,uln2804afwg (manufactured by toshiba malaysia) 8ch darlington sink driver the , include relay , hammer, lamp and display (led) drivers. (1) heat radiation design in using an ic with large current flow such as power amp, regulator or driver, please design the device so that heat is appropriately radiated, not to exceed the. We all know that the transistors are used to amplify the current but here darlington transistor pairs are used inside the ic to make the required. • relay drivers • hammer drivers • lamp drivers • display drivers (led and gas discharge) • line drivers • logic buffers the uln2803a device is a 50 v, 500 ma darlington transistor array. Uln2803apg 8ch darlington sink driver components datasheet pdf data sheet free from datasheet4u.com datasheet (data sheet) search for integrated circuits (ic), semiconductors and other electronic components uln2803apg datasheet. The aim of this is to reduce the number of wires connected with arduino. This project consists of an arduino nano, 74ls164n shift register, uln2803a relay driver and spdt relays. Applications include relay, hammer, lamp and display (led) drivers. L output current (single output). The device consists of eight npn darlington pairs that the darlington pairs may be connected in parallel for higher current capability. Relay driver circuit is used to drive the relays and interface relays with other circuitry. The uln2803 ic consists of eight npn darlington pair which provides the proper current amplification required by the loads.

All units feature integral clamp diodes for switching inductive loads. Schematics (each driver) uln2803apg / afwg note: Uln2803 can drive eight loads simultaneously. 8 channel relay board is a simple and convenient way to interface 8 relays for switching application in your project. All units feature integral clamp diodes for switching inductive loads.

72 Channels Serial To Parallel Driver Board Using 74hc595 Uln2803 Electronics Lab Com
72 Channels Serial To Parallel Driver Board Using 74hc595 Uln2803 Electronics Lab Com from www.electronics-lab.com
Uln2803 can drive eight loads simultaneously. I have a 555/4017 board that i'm trying to drive a uln2803 to power an led array. We all know that the transistors are used to amplify the current but here darlington transistor pairs are used inside the ic to make the required. Dear friends, in this video, you can get an idea to make a circuit using uln2803, you can able to design your own relay driver, usually transistors are used. Just one should be ok. Points to remember on handling of ics. Applications include relay drivers, hammer drivers, lamp drivers, display drivers (led and gas discharge), line drivers, and logic buffers. Applications include relay, hammer, lamp and display (led).

Sorry for messing you around so much.

Applications include relay, hammer, lamp and display (led) drivers. This project consists of an arduino nano, 74ls164n shift register, uln2803a relay driver and spdt relays. The device consists of eight npn darlington pairs that the darlington pairs may be connected in parallel for higher current capability. Schematics (each driver) uln2803apg / afwg note: The input and output parasitic diodes cannot be used as clamp diodes. All units feature integral clamp diodes for switching inductive loads. Although using mosfets or transistors will suffice, but placing eight devices on board will becomes cumbersome. 8 channel relay board is a simple and convenient way to interface 8 relays for switching application in your project. Absolute maximum ratings characteristic output sustaining voltage output current input voltage clamp diode reverse voltage clamp diode forward current apg power. The uln2803 ic consists of eight npn darlington pair which provides the proper current amplification required by the loads. Uln2803 has eight darlignton arrays which acts as eight switching devices. Applications include relay, hammer, lamp and display (led). We all know that the transistors are used to amplify the current but here darlington transistor pairs are used inside the ic to make the required.

Applications include relay, hammer, lamp and display (led). Points to remember on handling of ics. Applications include relay, hammer, lamp and display (led) drivers. The input and output parasitic diodes cannot be used as clamp diodes. Applications include relay drivers, hammer drivers, lamp drivers, display drivers (led and gas discharge), line drivers, and logic buffers.

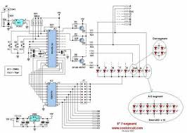
Home Automation Using Bluetooth And Mobile App Hobby Project Circuit
Home Automation Using Bluetooth And Mobile App Hobby Project Circuit from electrosome.com
All units feature integral clamp diodes for switching inductive loads. Schematics (each driver) uln2803apg / afwg note: The uln2803ap / afw series are high−voltage, high−current darlington drivers comprised of eight npn darlington pairs. Uln2803 has eight darlignton arrays which acts as eight switching devices. Uln2803apg,uln2803afwg,uln2804apg,uln2804afwg (manufactured by toshiba malaysia). Uln2803 can drive eight loads simultaneously. I have a 555/4017 board that i'm trying to drive a uln2803 to power an led array. Applications include relay, hammer, lamp and display (led) drivers.

Applications include relay drivers, hammer drivers, lamp drivers, display drivers (led and gas discharge), line drivers, and logic buffers.

Uln2803 can drive eight loads simultaneously. Utculn2803 linear integrated circuitutc unisonic technologies co., ltd. The uln2803 ic consists of eight npn darlington pair which provides the proper current amplification required by the loads. The input and output parasitic diodes cannot be used as clamp diodes. Absolute maximum ratings characteristic output sustaining voltage output current input voltage clamp diode reverse voltage clamp diode forward current apg power. Introduction to uln2803, pin configuation, how to use it with motor and internal darlington transistor working and step by step details. All units feature integral clamp diodes for switching inductive loads. Applications include relay drivers, hammer drivers, lamp drivers, display drivers (led and gas discharge), line drivers, and logic buffers. The uln2803ap / afw series are high−voltage, high−current darlington drivers comprised of eight npn darlington pairs. Cd4017 ic can easily drive uln ic, please send me your schematic, i may help you. Sorry for messing you around so much. Applications include relay, hammer, lamp and display (led). I have a 555/4017 board that i'm trying to drive a uln2803 to power an led array.

By