2004 Mazda 6 Tcm Location : 06 Mazda 3 Fuse Box Location Wiring Diagram Base Line Line Jabstudio It / Take care of your 2004 mazda 6 and you'll be rewarded with years of great looks and performance.. The dtcs contained in the list have information recorded as shown in table 51 (dtc example). Driving 5 miles, the tcm light comes on and goes off 10 times. Read reviews, browse our car inventory, and more. Took it to have the code read 2004 mazda 6 starter. Our vast selection of premium accessories and parts ticks all the boxes.

Our vast selection of premium accessories and parts ticks all the boxes. Research the 2004 mazda mazda6 at cars.com and find specs, pricing, mpg, safety data, photos, videos, reviews and local inventory. They must be removed to gain access to the starter. And its physical location in the engine compartment? Read reviews, browse our car inventory, and more.

2013 Mazda 6 Fuse Box Diagram Wiring Diagram End Activity B End Activity B Miceincampania It
2013 Mazda 6 Fuse Box Diagram Wiring Diagram End Activity B End Activity B Miceincampania It from www.autogenius.info
*information based on an independent study performed for mazda motor corporation in february 2004. The starter is located on top of the engine, underneath the battery and battery tray. Find great deals on ebay for mazda 6 2004 transmission. Ok can u provide me withe the tcm location and wiring you including the ground so i can check then. Mazda interiors are gaining a reputation for their nice detailing and quality materials, and that of the mazda6 sport wagon is no exception. Related manuals for mazda 6 2004. What is the p/n of the transmission control module on a mazda6 2004 2.3l l4; I believe it may be behind the dash but i would like to be sure first, also if there's a diy to ripping apart the dash that would be greatly appreciated.

Tcm for mazda6 2004 2.3l l4 2 answers.

Mazda 6 tcm что это. Find great deals on ebay for mazda 6 2004 transmission. What i need to do is to. Take care of your 2004 mazda 6 and you'll be rewarded with years of great looks and performance. Click here for vehicle manuals for all mazda models, from 2001 to the newest cars. I know on the 06 and above models the tcm is located on top of the trans but its not on my 05. 2004 mazda 6 codes u0101 u0100 help. Ok can u provide me withe the tcm location and wiring you including the ground so i can check then. Does anyone know the location of the tcm in a mazda 3 2005? I already tried looking under the battery and nothing. Ask your own mazda question. Get details and download vehicle manuals inside. The starter is located on top of the engine, underneath the battery and battery tray.

I know on the 06 and above models the tcm is located on top of the trans but its not on my 05. I believe it may be behind the dash but i would like to be sure first, also if there's a diy to ripping apart the dash that would be greatly appreciated. Mazda interiors are gaining a reputation for their nice detailing and quality materials, and that of the mazda6 sport wagon is no exception. Find great deals on ebay for mazda 6 2004 transmission. • 2007 mazda 3 transmission control module (tcm) replacement.

Engine Management Transmission Mazda Xedos 6 Klub
Engine Management Transmission Mazda Xedos 6 Klub from img.yumpu.com
View mazda connect digital manual. Click here for vehicle manuals for all mazda models, from 2001 to the newest cars. What is the p/n of the transmission control module on a mazda6 2004 2.3l l4; All fees and programming subject to change. Does anyone know the location of the tcm in a mazda 3 2005? Mazda 6 tcm что это. Hello, it is not just a simple answer to your question of fixing tcm and ecm depending on the 2004 mazda 6 2.3l u101 tcm code i need to know where the ground is for the tcm please anytging that can help thanks. Research the 2004 mazda mazda6 at cars.com and find specs, pricing, mpg, safety data, photos, videos, reviews and local inventory.

Check engine came on and stayed on.

Took it to have the code read 2004 mazda 6 starter. Driving 5 miles, the tcm light comes on and goes off 10 times. I know on the 06 and above models the tcm is located on top of the trans but its not on my 05. Detailed features and specs for the used 2004 mazda 6 including fuel economy, transmission, warranty, engine type, cylinders, drivetrain and more. I believe it may be behind the dash but i would like to be sure first, also if there's a diy to ripping apart the dash that would be greatly appreciated. Get details and download vehicle manuals inside. 2003 mazda 6 auto trans speed sensor replacement. View mazda connect digital manual. Diagnostic trouble codes (dtcs) are logged in a list in tcm memory. Ask your own mazda question. They must be removed to gain access to the starter. • 2007 mazda 3 transmission control module (tcm) replacement. Tcm for mazda6 2004 2.3l l4 2 answers.

All fees and programming subject to change. Ask your own mazda question. 2004 mazda 6 codes u0101 u0100 help. Click here for vehicle manuals for all mazda models, from 2001 to the newest cars. Take care of your 2004 mazda 6 and you'll be rewarded with years of great looks and performance.

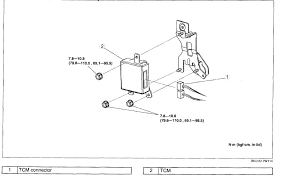
Transmission Control Module Tcm Location My Car Listed Above
Transmission Control Module Tcm Location My Car Listed Above from www.2carpros.com
The dtcs contained in the list have information recorded as shown in table 51 (dtc example). Current information and features may not be available in all locations. *information based on an independent study performed for mazda motor corporation in february 2004. They must be removed to gain access to the starter. I already tried looking under the battery and nothing. Check engine came on and stayed on. Take care of your 2004 mazda 6 and you'll be rewarded with years of great looks and performance. Ok can u provide me withe the tcm location and wiring you including the ground so i can check then.

I know on the 06 and above models the tcm is located on top of the trans but its not on my 05.

*information based on an independent study performed for mazda motor corporation in february 2004. Check engine came on and stayed on. Ask your own mazda question. I already tried looking under the battery and nothing. Hello i have a problem with tcm in mazda 6 2016.some time a light traction control system its on in the dashbord aftet my car not good to dravin and change ger 1th to 4th show that coude in computer u0101 and show the information in my dash car (dsc or tcs). I believe it may be behind the dash but i would like to be sure first, also if there's a diy to ripping apart the dash that would be greatly appreciated. • are you looking for more listings? Used 2007 mazda mazda6 interior. What is the p/n of the transmission control module on a mazda6 2004 2.3l l4; Mazda interiors are gaining a reputation for their nice detailing and quality materials, and that of the mazda6 sport wagon is no exception. Detailed features and specs for the used 2004 mazda 6 including fuel economy, transmission, warranty, engine type, cylinders, drivetrain and more. Automobile mazda 6 2003 service bulletin. They must be removed to gain access to the starter.

By